<% Response.ContentType = "text/html" Response.CharSet = "utf-8" %>
High Precision Plano-concave Glass Lenses,Uncoated
 
 
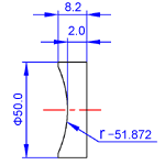
LPV235
Dimension=50.02.0mm


 
Specifications
Type
High Precision
Material BK7
Dimension Tolerance
+0.0,-0.05mm
Tc Tolerance
0.05mm
Clear Aperture
>85%
Surface Quality
40-20
Flatness
N=2,N=0.5
Centration
1 arc min
Notes: For coatings,append coating suffix and specify faces to be coated.
Top
 

Copyright © 2000 - 2010. AZURE Photonics U.S.A., Inc  All rights reserved.

High Precision Plano-concave Glass Lenses