<% Response.ContentType = "text/html" Response.CharSet = "utf-8" %>
Double-Convex Synthetic Fused-Silica Lenses,Uncoated
BACK
 
 
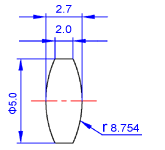
LDX301
Dimension=5.02.7mm

 
Specifications
Type
Standard
Material Fused-Silica
Dimension Tolerance
+0.0,-0.2mm
Tc Tolerance
0.2mm
Clear Aperture
>85%
Surface Quality
60-40
Flatness
N=4,N=1
Centration
3 arc mins
 
Notes: For coatings,append coating suffix and specify faces to be coated.
Top
 

Copyright © 2000 - 2010. AZURE Photonics U.S.A., Inc  All rights reserved.

Double-Convex Synthetic Fused-Silica Lenses