<% Response.ContentType = "text/html" Response.CharSet = "utf-8" %>
Nonstandard Double-Convex Lenses
BACK
 
 
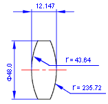
LDX95A02
Dimension=48.012.147mm


 
Specifications
Type
Nonstandard
Material K509
Dimension Tolerance
-0.02,-0.05mm
Tc Tolerance 0.05mm
Clear Aperture
>85%
Surface Quality
40-20
Flatness
N=3,N=1
Centration
3 arc mins
Coating
AR/AR; R<1.5%@500-900nm
Notes: For coatings,append coating suffix and specify faces to be coated.
Top
 

Copyright © 2000 - 2010. AZURE Photonics U.S.A., Inc  All rights reserved.

Nonstandard Double-Convex Lenses