Company Tour Products Materials Coatings Service Contact Newsroom
High Precision Double-Concave Glass Lenses,Uncoated
BACK
 
 
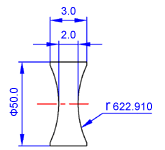
LDV231
Dimension=§¶50.0¡Á2.0mm


 
Specifications
Type
High Precision
Material BK7
Dimension Tolerance
+0.0,-0.05mm
Tc Tolerance
¡À0.05mm
Clear Aperture
>85%
Surface Quality
40-20
Flatness
N=2,¡÷N=0.5
Centration
¡À1 arc min
Notes: For coatings,append coating suffix and specify faces to be coated.
¡üTop
 

Copyright © 2000 - 2010. AZURE Photonics U.S.A., Inc  All rights reserved.