<% Response.ContentType = "text/html" Response.CharSet = "utf-8" %>
Cylindrical Synthetic Fused-Silica Lenses, Uncoated
BACK
 
 
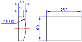
LC205
Dimension=25.015.05.3mm


 
Specifications
Type
Standard
Material Fused-Silica
Dimension Tolerance
0.2mm
Tc Tolerance
0.2mm
Clear Aperture
>85%
Surface Quality
60-40
Flatness
X=/4,Y=/2
Centration
3 arc mins
Notes: For coatings,append coating suffix and specify faces to be coated.
Top
 

Copyright © 2000 - 2010. AZURE Photonics U.S.A., Inc  All rights reserved.

Cylindrical Synthetic Fused-Silica Lenses