<% Response.ContentType = "text/html" Response.CharSet = "utf-8" %>
Standard Cylindrical Glass Lenses, Uncoated
BACK
 
 
LC105
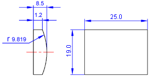
Dimension=25.019.08.5mm


 
Specifications
Type
Standard
Material BK7
Dimension Tolerance
0.2mm
Tc Tolerance
0.2mm
Clear Aperture
>85%
Surface Quality
60-40
Flatness
X=/4,Y=/2
Centration
3 arc mins
Notes: For coatings,append coating suffix and specify faces to be coated.
Top
 

Copyright © 2000 - 2010. AZURE Photonics U.S.A., Inc  All rights reserved.

Standard Cylindrical Glass Lenses