<% Response.ContentType = "text/html" Response.CharSet = "utf-8" %>
Nonstandard Cylindrical Lenses
BACK
 
 
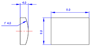
LCX0A21

Dimension=884mm

 
Specifications
Type
Nonstandard
Material N-BK7
Dimension Tolerance
+0.0,-0.1mm
Tc Tolerance
0.1mm
Clear Aperture
>85%
Surface Quality
40-20
Flatness
N=3N=1
Coating
AR/AR @600-700nm
Notes: For coatings,append coating suffix and specify faces to be coated.
Top
 

Copyright © 2000 - 2010. AZURE Photonics U.S.A., Inc  All rights reserved.

Nonstandard Cylindrical Lenses