<% Response.ContentType = "text/html" Response.CharSet = "utf-8" %>
Nonstandard Cylindrical Lenses
BACK
 
 
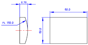
LCX0A03
Dimension=60505.75mm


 
Specifications
Type
Nonstandard
Material N-BK7
Dimension Tolerance
0.15,0.1mm
Tc Tolerance
0.5mm
Clear Aperture
>85%
Surface Quality
40-20
Flatness
N=0.5 N=0.3
Centration
3 arc mins
Notes: For coatings,append coating suffix and specify faces to be coated.
Top
 

Copyright © 2000 - 2010. AZURE Photonics U.S.A., Inc  All rights reserved.

Nonstandard Cylindrical Lenses