<% Response.ContentType = "text/html" Response.CharSet = "utf-8" %>
Nonstandard Cylindrical Lenses
BACK
 
 
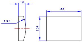
LCX0A19
Dimension=3.53.251.28mm


 
Specifications
Type
Nonstandard
Material N-BK7
Tc Tolerance
0.1mm
Clear Aperture
>85%
Surface Quality
60-40
Centration
5 arc mins
Coating
AR coating:R<0.2% For normal incident angle
Notes: For coatings,append coating suffix and specify faces to be coated.
Top
 

Copyright © 2000 - 2010. AZURE Photonics U.S.A., Inc  All rights reserved.

Nonstandard Cylindrical Lenses