<% Response.ContentType = "text/html" Response.CharSet = "utf-8" %>
Standard Achromatic Lenses, Uncoated
BACK
 
 
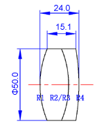
LA108
Dimension=50.024.0mm


 
Specifications
Type
Standard
Material N-SSK8/SF11
Dimension Tolerance
0.2mm
Clear Aperture
>85%
Surface Quality
80-50
Flatness
N=4,N=1
Centration
3 arc min
Notes: For coatings,append coating suffix and specify faces to be coated.
Top
 

Copyright © 2000 - 2010. AZURE Photonics U.S.A., Inc  All rights reserved.

Standard Achromatic Lenses