<% Response.ContentType = "text/html" Response.CharSet = "utf-8" %>
Standard Achromatic Lenses, Uncoated
BACK
 
 
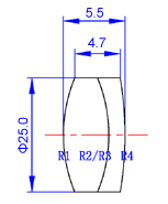
LA106
Dimension=25.05.5mm


 
Specifications
Type
Standard
Material SSK4A/SF8
Dimension Tolerance
0.2mm
Clear Aperture
>85%
Surface Quality
80-50
Flatness
N=4,N=1
Centration
3 arc min
Notes: For coatings,append coating suffix and specify faces to be coated.
Top
 

Copyright © 2000 - 2010. AZURE Photonics U.S.A., Inc  All rights reserved.

Standard Achromatic Lenses