首页
公司简介
工厂一览
产品目录
材料
镀膜
客户服务
联系我们
新闻中心
 
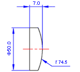
非标准平凸透镜
 
LPX66A01
尺寸公差=Ф50.0×7.0mm

 
规格
材质 B270
尺寸公差 +0.0,-0.1mm
TC公差 ±0.2mm
有效孔径
>85%
表面品质
60-40
面型 N=5,△N=1
Centration ±3 arc mins
Notes: For coatings,append coating suffix and specify faces to be coated.
↑标签
 

版权所有 © 2000 - 2010 福州浩蓝光电有限公司. 保留所有权利