首页
公司简介
工厂一览
产品目录
材料
镀膜
客户服务
联系我们
新闻中心
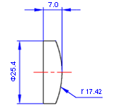
非标准平凸透镜
LPX13A04
尺寸公差
=
Ф
25.4
×
7
.0
mm
规格
材质
Fused Silicon(JGS1)
尺寸公差
±0.127mm
TC
公差
±0.127mm
有效孔径
>90%
表面品质
60-40
面型
N=3,△N=1
Centration
<3 arc mins
镀膜
单层氟化镁,AR/AR @340nm
Notes:
For coatings,append coating suffix and specify faces to be coated.
↑标签
版权所有
© 200
0 - 2010
福州浩蓝光电有限公司
.
保留所有权利