首页
公司简介
工厂一览
产品目录
材料
镀膜
客户服务
联系我们
新闻中心
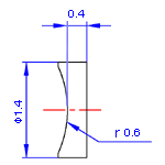
非标准平凹透镜
LPV91A02
尺寸公差
=Ф
1.4
×
0.4
mm
规格
材质
E6540
尺寸公差
+0.0,-0.01mm
TC
公差
+0.0,-0.02mm
有效孔径
>85%
表面品质
20-10
面型
N=5,△N=1
Centration
±3 arc mins
Notes:
For coatings,append coating suffix and specify faces to be coated.
↑标签
版权所有
© 200
0 - 2010
福州浩蓝光电有限公司
.
保留所有权利