首页
公司简介
工厂一览
产品目录
材料
镀膜
客户服务
联系我们
新闻中心
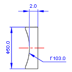
非标准平凹透镜
LPV06A01
尺寸公差
=Ф
50
.0×
2.0
mm
规格
材质
N-BK7
尺寸公差
+0.0,-0.1mm
TC
公差
±0.1mm
有效孔径
>85%
表面品质
60-40
面型
N=3,△N=0.5
Centration
3 arc mins
Notes:
For coatings,append coating suffix and specify faces to be coated.
↑标签
版权所有
© 200
0 - 2010
福州浩蓝光电有限公司
.
保留所有权利