首页
公司简介
工厂一览
产品目录
材料
镀膜
客户服务
联系我们
新闻中心
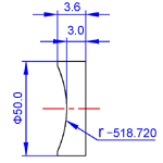
高精度平凹透镜
LPV245
尺寸公差
=Ф
50
.0×
3.6
mm
规格
类型
高精度
材质
BK7
尺寸公差
+0.0,-0.05mm
TC
公差
±0.05mm
有效孔径
>85%
表面品质
40-20
面型
N=2,△N=0.5
Centration
±1 arc mins
Notes:
For coatings,append coating suffix and specify faces to be coated.
↑标签
版权所有
© 200
0 - 2010
福州浩蓝光电有限公司
.
保留所有权利