首页
公司简介
工厂一览
产品目录
材料
镀膜
客户服务
联系我们
新闻中心
 
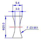
双凹合成熔石英透镜
 
LDV306
尺寸公差=Ф12.5×2.0mm

 
规格
类型
标准
材质 熔石英
尺寸公差 +0.0,-0.2mm
TC公差 ±0.2mm
有效孔径
>85%
表面品质
40-20
面型 N=4,△N=1
Centration ±3 arc mins
Notes: For coatings,append coating suffix and specify faces to be coated.
↑标签
 

版权所有 © 2000 - 2010 福州浩蓝光电有限公司. 保留所有权利