首页
公司简介
工厂一览
产品目录
材料
镀膜
客户服务
联系我们
新闻中心
 
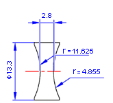
非标准双凹透镜
 
LDV92A04
尺寸公差=Ф13.3×2.8mm

 
规格
类型
非标准
材质 N-SK10
尺寸公差 +0.0,-0.05mm
TC公差 ±0.1mm
有效孔径
>85%
表面品质
40-20
面型 N=3,△N=1
Centration 5 arc mins
镀膜 S2:AR R<2%@450-1000nm
Notes: For coatings,append coating suffix and specify faces to be coated.
↑标签
 

版权所有 © 2000 - 2010 福州浩蓝光电有限公司. 保留所有权利