首页
公司简介
工厂一览
产品目录
材料
镀膜
客户服务
联系我们
新闻中心
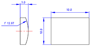
非标准柱面透镜
LCX0A20
尺寸公差
=
10
×
10
×
3
mm
规格
类型
非标准
材质
N-BK7
TC
公差
±0.1mm
有效孔径
>85%
表面品质
60-40
Centration
5 arc mins
镀膜
AR/AR R<0.2%@808nm
Notes:
For coatings,append coating suffix and specify faces to be coated.
↑标签
版权所有
© 200
9
福州浩蓝光电有限公司
.
保留所有权利