>> 规格 |
 |
型号 |
FIFO-IC4.5C |
光圈类型 |
固定型 |
焦距(mm) |
4.40mm |
相对孔径(F) |
2.0 |
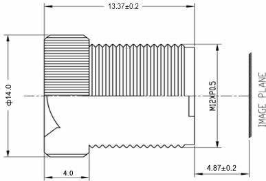
接口
|
M12X0.5
|
靶面尺寸(inch)
|
1/4" |
视场角 (°)
|
1/4" CCD52°,1/4" CMOS 60° |
最小物距(m)
|
0.2 |
尺寸(mm)
|
Φ14.0×13.37 |
图像传感器尺寸 |
1/4" CCD/CMOS |
最大像素高度 |
4.6mm |
光学畸变 |
<-10.5% |
镜头构成要素 |
5 Components 5 Glasses (4G+IR Cut Filter) |
红外截止滤光片 |
50% @ 650nm±10nm |
重量(g) |
5.0 |
|
>>外形尺寸图 |
 |
|